Start
Kontakta oss
Om oss
Köpvillkor
Återförsäljare
Registrera dig!
Glömt lösenord?
Fynd!
Nyheter
Bälgsatser
Anodskolan
Propellerskolan
PDF-Kataloger
Handböcker
Servicekit
FILTER
OLJA
Anoder
Allmänt
Axel
Bogpropeller
Roder
Skrov
Motor/Kylare
Arco Zeus laddning
Zeus laddregulator
Högeffektsgeneratorer
Bälgar
Bälgsatser
Impellrar
Impeller efter mått
2 halva axiella skåror
Axiell skåra
Diagonalt hål
Fasning
Halv axiell skåra
Halvrund axiel skåra
Splines
Två fasningar
Övriga
Impeller efter motor
Crusader
Evinrude/Johnson
Enbart impeller
Impellerkit
Force/Chrysler
Hidea
Honda
Mercruiser
Mercury
2-takt
4-takt
OMC Cobra
Parsun
Suzuki
Tohatsu
Vetus
Volkswagen
Volvo Penta
Yamaha
Enbart impeller
Impellerkit 2-takt
Impellerkit 4-takt
Yanmar
Jabsco
Johnson Pump
Sjövattenpumpar
Sherwood
Verkstadsutrustning
Diagnosverktyg
Scantool/Techmate
API
Jaltest
Marolo verkstad/proffs
Verktyg
Handskar
Krympplast/täckning
Hyresverktyg
Krympplast/presenning
Krympplast på rulle
Krympplastverktyg
Tejp
Tillbehör
Elutombordare
Batterier/Tillbehör
Haswing
Mercury
Propellrar Elmotor
Evinrude/Johnson
Anoder
Anoder lösa
Anoder kit
Bränslepumpar
Olja
Packningar
Bränslepump
Förgasare
Topplock
Propellrar
4-20 hk
20-35 hk
40-140 hk
150-300 hk
Reglage/vajer
Servicedelar
Startmotorer
Start- trimrelän
Termostater
Trim/tiltmotorer
Trim/Tilt Komplett
Tänddelar
Brytare/kond.
Powerpacks/CDI
Regulator
Stator
Trigger
Tändspole
Tändkablar
Tändstift
Växelhus kompletta
Växelhus delar
Drevsatser
Packningssatser
4/4,5/5/6/7,5/8hk
9,9-15hk
20-35hk
2-cyl 40-50hk litet växelhus
2/3-cyl 40-75hk litet växelhus
40-75hk stort växelhus
V4 60°
V4 90°
V4/V6 O-type
V4/V6 M-type
Mercruiser
Alpha One Gen 1
Anoder
Eftermarknad
Original
Bälgsats/Växelvajer
Bälghus
Drevdusch
Ersättningsdrev
Gimbalring
Hydrofoil
Impeller
Innersköld
Jordningskit
Packningssatser
Powertrim efter 1980
Powertrim före 1980
Powertrimpump
Propellrar
Ryckutjämnare
Servicekit original
Styrning
Sköld
Sköld - komplett
Underhus delar
Växelplatta
Överhus delar
Alpha One Gen 2
Anoder
Eftermarknad
Original
Bälghus
Bälgsatser/växelvajer
Drevdusch
Drevoljebehållare
Ersättningsdrev
Originaldrev
Gimbalring
Hydrofoil
Impeller
Innersköld
Jordningskit
Packningssatser
Powertrim
Propellrar
Powertrimpump
Ryckutjämnare
Servicekit original
Sköld
Sköld - komplett
Styrning
Underhus delar
Växelplatta
Överhus delar -1997
Överhus delar 1998-
Bravo 1/2/3
Anoder
Eftermarknad
Original
Bälghus
Bälgsatser/växelvajer
Drevdusch
Drevförlängare
Drevoljebehållare
Ersättningsdrev
Gimbalring
Hydrofoil
Impeller
Innersköld
Jordningskit
Kompletta drev
Packningssatser
Powertrim
Powertrimpump
Propellrar Bravo I
Propellrar Bravo II
Propellrar Bravo III
Ryckutjämnare
Servicekit original
Sköld-komplett
Sköld
Styrning
Underhus B1 delar
Underhus B2 delar
Underhus B3 delar
Växelplatta
Överhus delar ->2002
Överhus delar 2003->
Överhus X 2002-
Bälgsatser
Dekaler
Drevolja/Växelhusolja
Drevverktyg
Filter
Motordelar/Bensin
Avgassystem
Genomföringar
Paketpriser
3.0 4-cyl 1968-82
3.0 4-cyl 1982-95
3.0 4-cyl 1990->
3.7 4-cyl 470 1976-82
3.7 4-cyl 165/170/180/190
V6 4.3l
Ekonomi
Original
V6 4.3l 2002-05
V6 4.3l 2005-
Ekonomi
Original
V6 4.5 MPI
V8 5.0/5.7
Ekonomi
Original
V8 5.0/5.7 2002-05
V8 5.0/5.7 2005-
Ekonomi
Original
V8 454/502
Ekonomi
Original
V8 496/8.1l
Ekonomi
Original
Bränslepumpar
Drivremmar
Dränering
Förgasare/renoveringssatser
Generatorer
Klämmor
Kylsystem
Cirkulationspumpar
Impellrar
Kylvattenslang
Sjövattenpump
Sjövattenpump 2002-
Termostater
Termostathus
Värmeväxlare
Helsystem
Oljekylare
Motorelektronik/givare
Motorfästen
Motorpackningar
Ekonomi - GLM
Original
Oljor, fetter
Ryckutjämnare
Servicekit
3.0 4-cyl
V6 4.3l
V6 4.3 MPI
V8 5.0/5.7
V8 5.0/5.7 MPI
V8 454/502 7.4/8.2l
V8 496
Servicekit
V6/V8 4.5/6.2 MPI
Startmotorer
Startrelän
Tänddelar
Fördelare
Lock/rotor
Tändkablar
Tändspolar
Tändstift
Motordelar/Diesel
Anoder
Kylvattenslang
Motorolja diesel
Serviceprogram
1,7DTI/MS/MI
2,0 QSD
2,8 QSD
3,0 TDI
4,2 QSD
4,2 TDI
D7,3 D-tronic
Startmotorer
Generatorer
Reglage/vajer
Smartcraft
1st Mate
Mercury
Anoder
Anodkit
Lösa anoder
Generatorer
Motordelar
Bränslepump/membran
Förgasare
Kolvar
Oljeplugg
Packningar powerhead
Termostater
Powerhead
Propellrar
2,5-6 hk
6-25 hk
25-70 hk
70-140 hk
135-300 hk
Reglage/vajer
Rigging
Servicedelar
Filter
Kamremmar
Kompressorfilter
Olja 2-takt
Olja 4-takt
Servicekit
Eftermarknad
Original
F2,5/3,5hk
F4/6hk
F8/9,9hk
F15/20hk
F15/20hk EFI
F25/30hk EFI
F40-60hk 4cyl EFI
F80-115hk 1,7L EFI
F80-115hk 2,1L EFI
F150hk 3,0L EFI
Optimax 75-125hk
Optimax 135-175hk
Optimax 200-250hk
Verado 135-200hk L4
Verado 200-300hk L6
Verado 350hk SCI
Verado 250-400R L6 G5
V6 F175-225hk 3,4L
V8 F200-300hk 4,6L
V8 450R 4,6L
V10 350/400hk 5,7L
Startmotorer
Start- trimrelän
Tänddelar
CDI-box
Regulator
Stator
Trigger
Tändstift
Tändspole
Trim/tiltmotorer
Trim/Tilt Komplett
Växelhus delar
Drevsatser
Packningssatser
3,9/4/4,5/6/7,5/9,8hk-2takt
6/8/9,9/10/15hk
18-25hk 2-takt/ 13,5-15hk 4-takt
25-50hk 2 och 4-takt 1997-2006
35-70hk 2-3-4cyl 1977-1997
30-60hk 2 och 4-takt 1991->
30-125hk 3-4cyl Big foot 2/4takt 4,25 tum växelhus
65-225hk Raka 4-6-cyl / V6
3,0L / 200 DFI, 225 förg, 225 EFI, 250 EFI
Verado
Växelhus kompletta
1st Mate
Instrument
OMC
Bälgsatser
Cobra SX
Anoder
Bälgar
Packningssatser
Powertrimpump
Sköld
Underhus delar
Överhus delar
Cobra drev
Anoder
Bälgar
Ersättningsdrev
Impeller
Konverteringskit
Powertrimslangar
Sköld
Trim/tiltmotorer
Underhus delar
Överhus delar
King Cobra
Motordelar
Avgassystem
Genomföringar
3,0L 1973-90
3,0L 1991-
4,3L V6 1986-90
4,3L V6 1991-
5,0/5,7L 305/350 V8 1979-89
5,0L/5,7L 305/350 V8 1989-
5,0L/5,8L 302/351 V8 1991-
7,4L/8,2L 454/502 V8 1991-
7,5L 460 V8
Bälgar
Bränslesystem
Cirkulationspumpar
Filter
Generatorer
Givare
Kylvattenslang
Packningar
Servicekit
2,3L
3,0L
4,3L
5,0L/302
5,0L/305
5,7L/350
5,8L/351
7,4L/454
7,5L/460: omc
Startmotorer
Startrelän
Termostater
Tändsystem delar
Fördelarlock/rotor
Microbrytare/styrbox
Tändspolar
Tändstift
Olja
Inombordare
Växelhus
Övrigt
Propellrar
Reglage/vajer
Stringer
Anoder
PDF
Volvo
Anoder
Anoder lösa
Anoder kit
AQ Drev
Bälgar
Propellrar
Mellanhus AQ200-290
Sköldadapter AQ till Mercruiser
Trim/tiltmotorer
Underhus AQ200-290
Överhus AQ200-290
Bälgsatser
Impeller
Motordelar
Avgassystem
Genomföringar
4-cyl
3,0L 1994->
V6 Aq175/205/430/432/434
V6 4,3L 1994->
V8 5,0/5,7L ->1993
V8 5,0/5,7L 1993->
V8 5,0/5,8L 1994-> Ford
V8 7,4/8,2L 1994->
Filter
Luftfilter
Olje/bränslefilter
Vevhusventilationsfilter
Generatorer
Kylvattenslang
Startmotorer
Startrelän
Sjövattenpumpar
Tändstift
Turbo
Bränslepump
Kylsystem
Värmeväxlare
Oljekylare
Olja
Inombordare
Växelhus
Övrigt
Powertrimslangar
Reglage/vajer
Servicedelar
Servicekit
SX Drev
Anoder
Bälgar
Packningssatser
Propellrar
Propellrar DPS
Sköld
Trim/tiltmotorer
Underhus delar
Överhus delar
Segelbåtsdrev
Yanmar
Anoder
Filter
Generatorer
Packningssats
Sjövattenpumpar
Startmotorer
Termostat
Honda
Anoder
Impeller
Impellerkit
Propellrar
8-15 hk
25-30 hk
35-50 hk
75-130 hk
135-225 hk
Reglage/vajer
Servicedelar
Bränslepump
Filter
Kamrem
Olja
Utombordare
Växelhus
Packningar
Övrigt
Servicekit original
Startmotorer
Trim/tiltmotorer
Trim/Tilt Komplett
Tänddelar
Tändstift
Tänd-elektronik
Växelhusdelar
Hidea
Drevolja/Växelhusolja
Reservdelar
Impellrar
Propellrar
Bränslesystem 2.5hk
Bränslesystem 4/5hk
Bränslesystem 8/9.9hk
Bränslesystem 15hk
Tänddelar 2.5 hk
Tänddelar 4/5 hk
Tänddelar 8/9.9 hk
Tänddelar 15 hk
Suzuki
Anoder
Bränslepumpar
Filter
Impeller
Lösa
Impellerkit 4-takt
Olja
Packningssatser
Propellrar
9.9-20 hk
20-30 hk
35-65 hk
60-140 hk
70-140 hk 4-takt
150-300 hk
Reglage/vajer
Servicedelar
Oljefilter 4-Takt
Kamrem
Servicekit eftermarknads
Servicekit original
Startmotorer
Termostat
Topplockspackningar
Trim/tiltmotorer
Trim/Tilt Komplett
Tänddelar
Tändstift
Tänd-elektronik
Växelhusdelar
DF25-50
DF25A-30A
DF25V-40/50/60A
DF60-70 1998-2007
DF70/80/90A 2009-2020
DF90/100/115/140A
DF150/175/200A 2006->
DF200/225/250 V6
DF250/300A-AP
DF300/350A-B
Växelhus kompletta
Tohatsu
Olja
Impeller
Propellrar
4-6 hk
8-20 hk
25-30 hk
35-70 hk
60-140 hk
Reglage/vajer
Servicedelar
Oljefilter 4-Takt
Startmotorer
Tänddelar
Tändstift
Tänd-elektronik
Motordelar
Termostater
Yamaha
Anoder
Drevolja/Växelhusolja
Impellerkit
Enbart impeller
Impellerkit 2-takt
Impellerkit 4-takt
Lager
Motordelar
Bränslepumpar
Kamrem
Kolvar
Motorpackningar
Repkit förgasare
Termostater
Topplockspackningar
Olja
Utombordare
Växelhus
Propellrar
4-5 hk
8-20 hk
20-30 hk
40-60 hk
60-130 hk
150-300 hk
350 hk
Propellermutterkit
Reglage/vajer
Servicedelar
Filter
Servicekit
Eftermarknad
Original
Startmotorer
Startrelän
Trim/tiltmotorer
Trim/Tilt Komplett
Tänddelar
Tänd-elektronik
Tändstift
Växelhus kompletta
Växelhusdelar
Axlar
Bultsats Växelhus
Drevsatser
Lagerhållare
Packningar växelhus
9.9-15hk 1984-2006
9.9-15hk 1996-2006
F25-C30hk
F75-F100hk 2003->
V4 115, 130hk
V6 2,6L 1984->
V6 3,1/3,2L 1990-2006
V8 300-350hk
Bob´s Machineshop
Extern Trim/Tilt
Jackplates/Motorlyft
Hydrauliska
Manuella
Skäddor för svetsning
Skäddor Bultas
Stabilizer/hydrofoil
Tillbehör
Styrning/Reglage
Hydraulstyrning
Kompletta kit
Tillbehör
Mekanisk styrning
Fästen/Tillbehör
Styrkabel
Styrväxel
Komplett kit
Rattar
Reglage
Reglagevajrar
Tillbehör
Trimplan
Bennet
Reservdelar
Trimplanssatser
Instatrim
Reservdelar
Trimplanssatser
Hydrotab
Reservdelar
Trimplanssatser
Olja/Kemi/Färg
Bränslerelaterat
Fett
Färg
Burk 1-komp
Burk 2-komp
Förtunning
Spray 1-komp
Spray 2-komp
Konservering
Lim/epoxy/kem
Olja - AMS
ATV
Fordon
Inombordare
Utombordare
Växelhus
Vattenskoter
Övrigt
Olja - QuicksilverII
Inombordare
Utombordare
Växelhus
Övrigt
Tillsatser
P-boxar/O-ringar
O-ringar efter mått
Packboxar efter mått
Axeltätningar
Läpptätningar
Tillbehör
Batteri/tillbehör
Dyvikor
Högtalare/Förstärkare
Beten
Fiske kit
Fritid
Instrument
Is/Jord-borr
KeelGuard
Klämmor
Lagningslapp - Gator
Lucköppnare
Lås
Länspump/Motorrumsfläktt
Manöverbord
Oljesug/påfyllare
Slang
SkegGuard
Stern pads
Utgående Sortiment
Cobra drev
-
Sköld
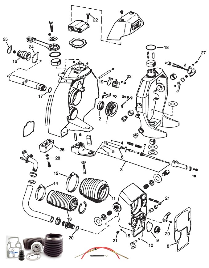
OMC - Cobra drev - Sköld
Klicka/köp direkt i bilden ovanför, eller surfa in på produkterna nedan.
Sköld
Sortera efter:
Produktnamn
Artikelnummer
Pris
Produktnamn
Beskrivning
Pris
Lager
Antal
Beställ
Drivknutsbälg för Volvo SX, Cobra (500514K)
Eftermarknad
Mer info
kr
Pris:
695 kr
st
Avgasbälg Cobra/SX (500527K)
Eftermarknad
Mer info
kr
Pris:
567 kr
st
Låsmutter (21180)
Låsmutter
Mer info
kr
Pris:
72 kr
st
Shiftkabel (21715)
Shiftkabel
Mer info
kr
Pris:
2 955 kr
st
Bälgsats (21962)
Mer info
kr
Pris:
2 195 kr
st
Cobra (39630)
Eftermarknad
Mer info
kr
Pris:
98 kr
st
O-ring (81230)
Mer info
kr
Pris:
72 kr
st
O-ring (81250)
Mer info
kr
Pris:
55 kr
st
Packning (86300)
o-ring
Mer info
kr
Pris:
57 kr
st
Packbox (86560)
Eftermarknad
Mer info
kr
Pris:
226 kr
st
Stödlager (3000805)
Eftermarknad
Mer info
kr
Pris:
1 195 kr
st
Cobra växelbälg (500506)
Eftermarknad
Mer info
kr
Pris:
185 kr
st
Låsbricka (21496)
Mer info
kr
Pris:
55 kr
st
Skruv (22320)
Skruv
Mer info
kr
Pris:
52 kr
st
Skruv (22328)
Mer info
kr
Pris:
170 kr
st
Skruv (22388)
Skruv
Mer info
kr
Pris:
124 kr
st
Skruv (27786)
Mer info
kr
Pris:
37 kr
st
O-ring (80100)
Mer info
kr
Pris:
72 kr
st
O-ring (80120)
O-ring
Mer info
kr
Pris:
57 kr
st
O-ring (80140)
Mer info
kr
Pris:
57 kr
st
O-ring (81210)
Mer info
kr
Pris:
85 kr
st
O-ring (82260)
O-ring
Mer info
kr
Pris:
41 kr
st
Hylsa (21432)
Hylsa
Mer info
kr
Pris:
110 kr
st
Skruv (21433)
Skruv
Mer info
kr
Pris:
55 kr
st
Plasthylsa (21434)
Plasthylsa
Mer info
kr
Pris:
170 kr
st
O-ring (82440)
O-ring
Mer info
kr
Pris:
85 kr
st
Stödlager (30-00803)
Eftermarknad
Mer info
kr
Pris:
955 kr
st
Vattenslang sköld (9A10905)
Mer info
kr
Pris:
349 kr
st
Slangklämma (01090)
Mer info
kr
Pris:
49 kr
st
Slangklämma (01070)
Slangklämma
Mer info
kr
Pris:
98 kr
st
Anod (D302278)
zink
Mer info
kr
Pris:
175 kr
st
Varukorg
Din varukorg är tom
Summa varor
0 kr
Fraktkostnad
85 kr
Fler fraktalternativ
Svea pay-Frakt med DHL Ombud
Svea pay-Frakt med DHL Företagspaket Sverige
Svea pay-Avhämtning lager Täby/Arninge, invänta leveransavisering innan hämtning (Obs! Administrationsavgift)
Totalkostnad
85 kr
Till Kassan
Köp direkt
Artikelnummer
Bob´s Machine Jackplate, Heavy Duty 4 tum. Max 300 hk.
Pris
22 968 kr
Läs mer
Bob´s Machine, Trim/Tilt, Action style. Max 40hk
Pris
12 750 kr
Läs mer
Hydrotab 300SR Eco, komplett kit
Pris
9 995 kr
Läs mer
Bob´s Machine Jackplate, Action, Heavy Duty 4 tum. Max 300 hk.
Pris
23 245 kr
Läs mer
Para Jac 500hp+
Pris
74 500 kr
Läs mer
Hydrotab 300SR Eco, komplett kit
Pris
10 495 kr
Läs mer